JXH型小拉桿橫向波紋補償器
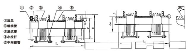
JXH型小拉桿橫向波紋補償器,由兩段波紋管,中間接管及帶有限位螺母的小拉桿等零件組成。小拉桿不能承受內壓推理。JXH型小拉桿橫向波紋補償器可以補償彎曲管段的橫向位移和角項位移,同時可以補償軸向位移。JXH型小拉…


JXH型小拉桿橫向波紋補償器,由兩段波紋管,中間接管及帶有限位螺母的小拉桿等零件組成。小拉桿不能承受內壓推理。JXH型小拉桿橫向波紋補償器可以補償彎曲管段的橫向位移和角項位移,同時可以補償軸向位移。JXH型小拉桿橫向波紋補償器安裝完后,務必將小拉桿上的落幕松開并離開耳片一段距離。
JXH型小拉桿橫向波紋補償器又叫煤粉管道專用三維波紋補償器是專為煤粉管道設計的一種專用補償器,波紋管為1Cr18Ni9Ti或SUS304材質制造,采用多層一次液壓成型工藝,可以補償軸向、角向、橫向及各方位的合成位移。產品有極強的耐磨性,具有補償量大、產品性能好、使用壽命長、等多種優點于一身,因此深受用戶的贊譽。煤粉的高速磨擦和產品結構的不合理,是造成補償器過早損壞的主要原因,其導流筒采用加厚耐磨鋼加之不同的結構設計,使耐磨波紋補償器更具有優越的性能。
♦小拉桿橫向型補償器習慣上也叫膨脹節,或伸縮節。由構成其工作主體的波紋管(一種彈性元件)和端管、支架、法蘭、導管等附件組成。小拉桿橫向型補償器屬于一種補償元件。利用其工作主體波紋管的有效伸縮變形,以吸收管線、導管、容器等由熱脹冷縮等原因而產生的尺寸變化,或補償管線、導管、容器等的軸向、橫向和角向位移。也可用于降噪減振。在現代工業中用途廣泛。

設計溫度:-20℃~+400℃ 產品代號:JXH 型號標注:JXH波紋管型式-連接形式 壓力-通徑-補償量
| 公稱 | 壓力 0.6Mpa | 壓力 1.0Mpa | 壓力 1.6Mpa | 有效面積 A | 焊接端管 | 總長 | 重量 | |||
| 通徑 | cm 2 | d × t | L | kg | ||||||
| DN | 軸向位移 / 軸向鋼度 mm/ | 橫向位移 / 橫向鋼度 mm/ | 軸向位移 / 軸向鋼度 mm/ | 橫向位移 / 橫向鋼度 mm/ | 軸向位移 / 軸向鋼度 mm/ | 橫向位移 / 橫向鋼度 mm/ | mm | mm | F/H | |
| (N/mm) | (N/mm) | (N/mm) | (N/mm) | (N/mm) | (N/mm) | |||||
| 100 | 32/210 | 96/8.0 | 28/252 | 86/9.6 | 26/302 | Dec-78 | 154 | 0.8 × 4 | 1000 | 30 |
| 200/2.0 | 180/2.5 | 162/3.1 | 1500 | 36 | ||||||
| 306/0.89 | 275/1.1 | 248/1.3 | 2000 | 41 | ||||||
| 411/0.50 | 370/0.6 | 333/0.75 | 2500 | 47 | ||||||
| 125 | 33/170 | 83/18 | 31/204 | 78/21.6 | 29/245 | 75/25.9 | 180 | 33 × 4 | 1000 | 39 |
| 115/6.8 | 109/8.2 | 103/9.8 | 1500 | 43 | ||||||
| 198/3.5 | 188/4.2 | 178/5.0 | 2000 | 51 | ||||||
| 269/1.8 | 255/2.2 | 242/2.6 | 2500 | 62 | ||||||
| 150 | 32/290 | 65/21 | 30/348 | 61/25.2 | 27/417 | 58/30.2 | 299 | 59 × 4.5 | 1000 | 42 |
| 136/5.4 | 129/6.5 | 122/7.8 | 1500 | 53 | ||||||
| 107/2.4 | 197/2.9 | 186/3.5 | 2000 | 63 | ||||||
| 279/1.4 | 265/1.68 | 251/2.1 | 2500 | 74 | ||||||
| 200 | 48/326 | 72/47 | 43/391 | 68/56.4 | 40/469 | 65/70.5 | 531 | 19 × 6 | 1000 | 72 |
| 160/11 | 152/13.2 | 144/16.5 | 1500 | 89 | ||||||
| 250/5.0 | 237/6.0 | 225/7.5 | 2000 | 106 | ||||||
| 341/2.8 | 324/3.4 | 291/4.1 | 2500 | 123 | ||||||
| 250 | 46/400 | 127/20 | 43/480 | 114/25 | 38/576 | 108/30 | 774 | 73 × 8 | 1500 | 121 |
| 199/9.0 | 179/10.8 | 170/13.5 | 2000 | 150 | ||||||
| 271/5.0 | 257/6.0 | 231/7.5 | 2500 | 178 | ||||||
| 343/3.2 | 325/3.8 | 293/4.6 | 3000 | 206 | ||||||
| 300 | 59/336 | 134/25 | 56/403 | 127/30 | 50/483 | 121/36 | 1069 | 25 × 8 | 1500 | 146 |
| 213/11 | 202/13.2 | 192/15.8 | 2000 | 179 | ||||||
| 292/6.0 | 277/7.2 | 263/8.6 | 2500 | 213 | ||||||
| 372/3.8 | 353/4.6 | 335/5.4 | 3000 | 246 | ||||||
| 350 | 58/366 | 107/40 | 55/402 | 102/44 | 52/442 | 96/48 | 1263 | 77 × 8 | 1500 | 171 |
| 178/16 | 169/18 | 161/22 | 2000 | 208 | ||||||
| 250/8.5 | 237/10 | 226/12 | 2500 | 245 | ||||||
| 322/5.3 | 306/6.9 | 290/9.6 | 3000 | 282 | ||||||
| 400 | 57/415 | 92/58 | 54/48 | 87/63 | 51/492 | 83/69 | 1612 | 26 × 8 | 1500 | 192 |
| 154/23 | 142/25 | 135/27 | 2000 | 235 | ||||||
| 215/12 | 204/13 | 196/15 | 2500 | 278 | ||||||
| 278/7.7 | 264/9 | 250/11 | 3000 | 321 | ||||||
| 450 | 55/415 | 81/80 | 52/456 | 77/88 | 49/484 | 73/96 | 1995 | 78 × 8 | 1500 | 218 |
| 135/32 | 128/35 | 122/38 | 2000 | 268 | ||||||
| 189/17 | 180/19 | 171/21 | 2500 | 319 | ||||||
| 243/11 | 230/12 | 218/13 | 3000 | 370 | ||||||
| 500 | 90/746 | 36/241 | 72/895 | 32/260 | 58/984 | 29/281 | 2625 | 29 × 10 | 1400 | 535 |
| 68/89 | 62/96 | 56/104 | 1700 | 581 | ||||||
| 102/42 | 92/45 | 83/49 | 2000 | 627 | ||||||
| 126/28 | 113/30 | 102/32 | 2200 | 658 | ||||||
| 166/18 | 149/19 | 134/21 | 2500 | 704 | ||||||
| 198/12 | 178/13 | 160/14 | 2800 | 750 | ||||||
| 600 | 94/820 | 42/208 | 85/886 | 38/224 | 75/948 | 34/242 | 3590 | 30 × 10 | 1500 | 648 |
| 71/102 | 64/110 | 58/118 | 1800 | 702 | ||||||
| 106/47 | 95/51 | 86/55 | 2200 | 775 | ||||||
| 135/30 | 121/32 | 111/35 | 2500 | 830 | ||||||
| 168/21 | 156/23 | 141/25 | 2800 | 884 | ||||||
| 199/14 | 183/15 | 168/17 | 3200 | 957 | ||||||
膨脹節/伸縮節
※※柔性橡膠接頭的幾種分類和安裝事項
新躍特種耐海水橡膠接頭用在浙江寧波海水處理工程
如何延長橡膠接頭使用壽命呢
橡膠接頭 撓性橡膠接頭…
橡膠接頭、卡箍橡膠接頭、大翻邊橡膠接頭新躍橡膠接頭廠家,專業生產,量大從優!

不銹鋼雙法蘭限位伸縮…
不銹鋼雙法蘭伸縮接頭是由本體、密封圈、壓蓋、伸縮短管等主要部件組成。在松套伸縮接頭原有性能的基礎上增設限位裝置,在最大伸縮量處用雙螺母鎖定。管道在允許的伸縮量中可以自由伸縮,一旦超…

可曲撓橡膠接頭
可曲撓橡膠接頭簡介可曲撓橡膠接頭又叫做橡膠管軟接頭、柔性橡膠接頭、橡膠軟接頭、橡膠接頭、高壓橡膠接頭、橡膠減震器、補償器等。按連接方式分松套法蘭式、固定法蘭式和螺紋式3種;按結構可分…

人防穿線密閉套管
穿線密閉套管說明:1、當迎水面為腐蝕性介質時,可采用封堵材料將縫隙封堵;2.套管穿墻處如遇非混凝土墻壁時,應局部改用混凝土墻壁,其澆注范圍應比翼環直徑(DS)大200,并且必須將套管一次澆固…






![{sdcms[webname]} {sdcms[webname]}](/skins/2009/dw/images/foot_logo.png)
微信